登录
注册
回到首页
AI
搜索
发现报告
发现数据
发现专题
研选报告
定制报告
VIP
权益
发现大使
发现一下
行业研究
公司研究
宏观策略
财报
招股书
会议纪要
中央经济工作会议
低空经济
DeepSeek
AIGC
智能驾驶
大模型
当前位置:首页
/
其他报告
/
报告详情
早评:钢厂挺价难抵黑金弱势 后续关注旺季需求情况
2018-09-04
迈科期货
天***
你可能感兴趣
早评:累库叠加复产黑金走弱,后续关注旺季需求情况
迈科期货
2019-10-09
早评:短期弱势难改,关注下游需求情况
迈科期货
2019-10-11
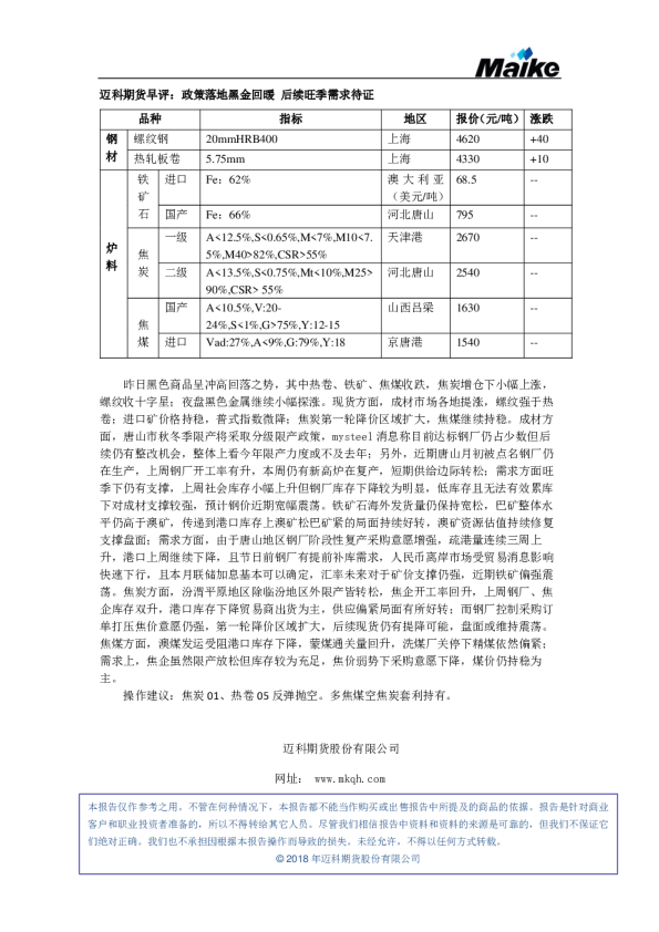
早评:政策落地黑金回暖 后续旺季需求待证
迈科期货
2018-09-18
迈科期货早评:旺季渐显黑金偏强,后续关注库存去化
迈科期货
2019-09-11
迈科期货早评:需求难见起色,黑金弱势震荡
迈科期货
2020-02-24