您的浏览器禁用了JavaScript(一种计算机语言,用以实现您与网页的交互),请解除该禁用,或者联系我们。 [迈科期货]:早评:月底货源有限,聚烯烃维持强势 - 发现报告

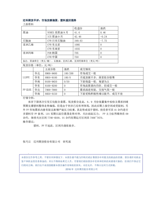
早评:月底货源有限,聚烯烃维持强势

2017-08-31 张巧云 迈科期货 在回忆里流浪
报告封面