登录
注册
回到首页
AI
搜索
发现报告
发现数据
发现专题
研选报告
定制报告
VIP
权益
发现大使
发现一下
行业研究
公司研究
宏观策略
财报
招股书
会议纪要
seedance2.0
低空经济
DeepSeek
AIGC
大模型
当前位置:首页
/
其他报告
/
报告详情
黑色金属领涨,棕榈油交投活跃
2019-11-18
欧阳静宜
东证期货
小***
你可能感兴趣
非银金融行业周报:交投活跃回升驱动券商领涨
金融
华创证券
2021-05-30
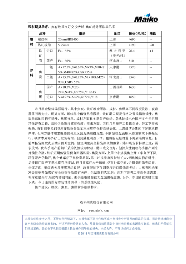
早评:库存数据良好交投活跃 焦矿趁势领涨黑色系
迈科期货
2018-10-25
棕榈油交投活跃,持仓金额破500亿
东证期货
2019-12-30
食品饮料行业月度点评:市场交投活跃,等待补涨机会
食品饮料
财信证券
2025-08-18
情绪与估值9月第1期:交投继续回暖,小盘估值领涨
国泰君安证券
2023-09-03