登录
注册
回到首页
AI
搜索
发现报告
发现数据
发现专题
研选报告
定制报告
VIP
权益
发现大使
发现一下
行业研究
公司研究
宏观策略
财报
招股书
会议纪要
稀土
低空经济
DeepSeek
AIGC
智能驾驶
大模型
当前位置:首页
/
其他报告
/
报告详情
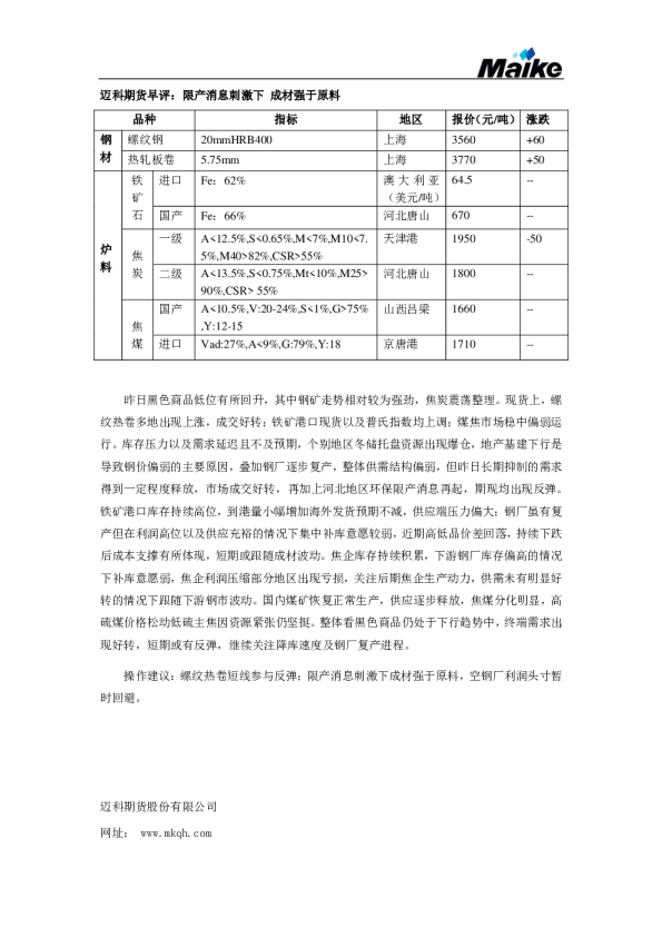
早评:环保限产支撑下 成材仍将强于炉料
2018-07-16
迈科期货
笑***
你可能感兴趣
早评:唐山限产结束 炉料强于成材
迈科期货
2016-08-02
早评:限产消息刺激下 成材强于原料
迈科期货
2018-03-29
早评:限产预期下成材强于原料
迈科期货
2017-11-14
早评:环保趋严成材强于原料,系统性风险下观望为主
迈科期货
2018-07-05
早评:环保限产来袭 成材端再获支撑
迈科期货
2017-08-03