登录
注册
回到首页
AI
搜索
发现报告
发现数据
发现专题
研选报告
定制报告
VIP
权益
发现大使
发现一下
行业研究
公司研究
宏观策略
财报
招股书
会议纪要
稀土
低空经济
DeepSeek
AIGC
智能驾驶
大模型
当前位置:首页
/
其他报告
/
报告详情
早评:需求转弱,聚烯烃测试下方支撑
2017-12-08
张巧云
迈科期货
持***
你可能感兴趣
早评:库存积累,聚烯烃或继续测试下方支撑
迈科期货
2017-09-19
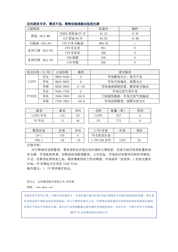
早评:需求不佳,聚烯烃继续测试短线支撑
迈科期货
2017-06-21
早评:需求未有明显改善,聚烯烃关注下方支撑情况
迈科期货
2017-09-14
早评:需求转弱,聚烯烃震荡整理
迈科期货
2016-11-24
一德期货1月5日橡胶早评:美盘原油遭受重挫,期价料将测试下方支撑
一德期货
2011-01-05