登录
注册
回到首页
AI
搜索
发现报告
发现数据
发现专题
研选报告
定制报告
VIP
权益
发现大使
发现一下
行业研究
公司研究
宏观策略
财报
招股书
会议纪要
中央经济工作会议
低空经济
DeepSeek
AIGC
智能驾驶
大模型
当前位置:首页
/
其他报告
/
报告详情
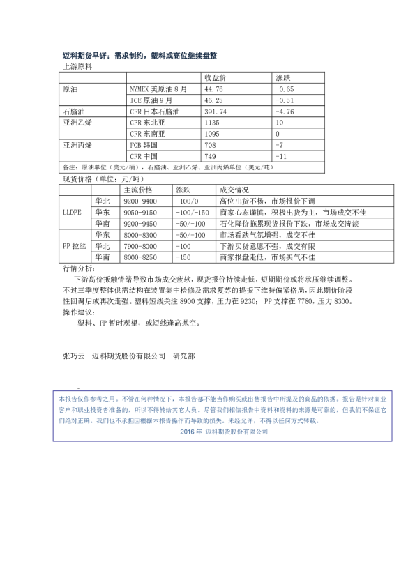
早评:需求制约,聚烯烃高位调整
2017-08-14
张巧云
迈科期货
小***
你可能感兴趣
早评:需求制约,聚烯烃承压走低
迈科期货
2017-07-05
早评:需求制约,塑料或高位继续盘整
迈科期货
2016-07-12
早评:成交受阻,聚烯烃高位调整
迈科期货
2017-09-07
早评:避险情绪升温,聚烯烃高位调整
迈科期货
2016-11-15
早评:需求不足,聚烯烃震荡调整
迈科期货
2017-08-04