登录
注册
回到首页
AI
搜索
发现报告
发现数据
发现专题
研选报告
定制报告
VIP
权益
发现大使
发现一下
行业研究
公司研究
宏观策略
财报
招股书
会议纪要
中央经济工作会议
低空经济
DeepSeek
AIGC
智能驾驶
大模型
当前位置:首页
/
其他报告
/
报告详情
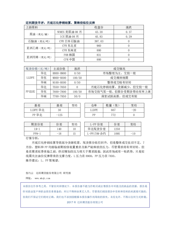
早评:限产支撑,聚烯烃或低位反弹
2017-06-12
张巧云
迈科期货
上***
你可能感兴趣
早评:限产效果或逐渐显现,聚烯烃底部反弹
迈科期货
2017-06-09
早评:钢厂限产超预期,黑金低位反弹
迈科期货
2017-10-13
早评:节前有备货预期,聚烯烃低位反弹
迈科期货
2017-09-26
早评:月底石化停销结算,聚烯烃低位反弹
迈科期货
2017-06-27
原油早评:欧佩克或进一步限产,欧美原油反弹
迈科期货
2019-10-17