登录
注册
回到首页
AI
搜索
发现报告
发现数据
发现专题
研选报告
定制报告
VIP
权益
发现大使
发现一下
行业研究
公司研究
宏观策略
财报
招股书
会议纪要
稀土
低空经济
DeepSeek
AIGC
智能驾驶
大模型
当前位置:首页
/
其他报告
/
报告详情
早评: 冬储需求逐步释放,黑金震荡为主
2019-01-10
迈科期货
北***
你可能感兴趣
早评:节前需求难释放,黑金或震荡为主
迈科期货
2019-01-09
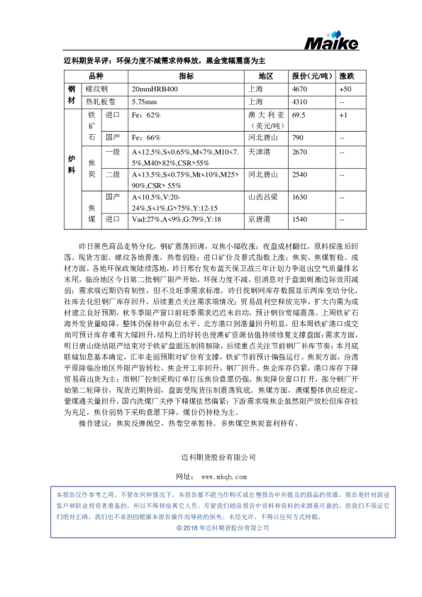
早评:环保力度不减需求待释放,黑金宽幅震荡为主
迈科期货
2018-09-20
早评:元月冬储进行时供需或双增,黑金仍以震荡运行为主
迈科期货
2019-01-02
早评:库存累积冬储有条不紊,需求暂缓黑金高位震荡
迈科期货
2019-01-24
早评:黑金震荡回落 关注需求释放节奏
迈科期货
2017-09-06